مشروع دائرة أشارة مرور القرية الإلكترونية : قسم الإلكترونيات : قسم المشاريع الإلكترونية : التحكم بالإضاءة و المحركات : مشروع دائرة أشارة مرور
Traffic signal electronic circuit

traffic signal 



وصف الدائرة :

دائرة الأضواء الثلاثة لإشارة المرور

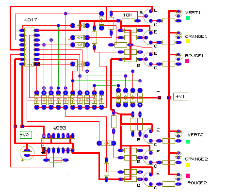
مخطط الدائرة :

traffic light circuit

تركيب الدائرة
traffic signal pcb

عناصر دائرة اشارة المرور :

دائرة متكاملة 4017
دائرة متكاملة 4093
مكثف 100 ميكروفراد
مقاومة 10 كيلو أوم

للتعليق أو الاستفسار عن هذا المشروع أضغط هنا

كلمات دليليه ضوء , الاشارة , اضواء

اضف هذا الموضوع الى