قسم الميكروكنترولر والروبوت ودوائر الاتصال بالحاسب الالي قسم المتحكمات الـ microcontroller و المعالجات microprocessor و التحكم الرقمي بالكمبيوتر CNC والانظمة الآلية والروبوت Robots

أدوات الموضوع

محمد يسرى محمد
:: مهندس متميز ::
تاريخ التسجيل: Apr 2010
المشاركات: 525
نشاط [ محمد يسرى محمد ]
قوة السمعة:0
قديم 01-06-2012, 05:31 PM المشاركة 113   
افتراضي



شكرا اخى محمد
ممكن تبعتلى لينك برنامج البروتيوس لاحمله على جهازى الجديد
وانا اقوم بالتعديلات على الخرج

اعلانات

Tico
:: عضو ذهبي ::
تاريخ التسجيل: May 2012
المشاركات: 1,426
نشاط [ Tico ]
قوة السمعة:116
قديم 01-06-2012, 05:36 PM المشاركة 114   
افتراضي


جميل أخي محمد
للاسف ليس عندي رابط محدد لكن يمكن تجده بسهولة إذا قمت بالبحث بهذا الاسم :
proteus 7.7 sp2

اعلانات اضافية ( قم بتسجيل الدخول لاخفائها )
  

Tico
:: عضو ذهبي ::
تاريخ التسجيل: May 2012
المشاركات: 1,426
نشاط [ Tico ]
قوة السمعة:116
قديم 01-06-2012, 06:19 PM المشاركة 115   
افتراضي


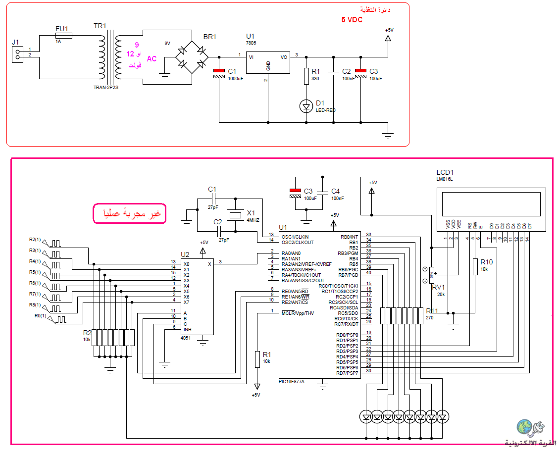
الدائرة بعد إضافة الليدات الى البورت "ب"
دائرة كلاسيكية 7805
http://www.up-00.com/dldzoN74897.rar.html


التعديل الأخير تم بواسطة : Tico بتاريخ 01-06-2012 الساعة 06:22 PM السبب: تصحيح رابط

Tico
:: عضو ذهبي ::
تاريخ التسجيل: May 2012
المشاركات: 1,426
نشاط [ Tico ]
قوة السمعة:116
قديم 01-06-2012, 06:47 PM المشاركة 116   
Arrow


للاخ تيكو ده رابط لشرح فلاشي يشرح الميكرو سي والبروتس ان شاء الله يفيدك
http://www.4shared.com/file/84904522...___mikroC.html
والموضوع الاصلي في القريه هنا
http://www.qariya.com/vb/showthread.php?t=42825

ومتكسلش عن تعلم الares هههههههههه
وبارك الله فيك وفي الاخوه حيدر و lovevb6
آه يا أخي العزيز ..
ذكرتني بالذي مضى .
ليست القضية في الواقع كسل وإنم رغبة في الابتعاد عن الدوائر المطبوعة ومشاكلها
من كثرة ما أرهقت لنا العيون واستنفذت الجهد والوقت .
شكرا لك على الروابط
وأرجو لك التوفيق
والى اللقاء ..


محمد يسرى محمد
:: مهندس متميز ::
تاريخ التسجيل: Apr 2010
المشاركات: 525
نشاط [ محمد يسرى محمد ]
قوة السمعة:0
قديم 01-06-2012, 10:02 PM المشاركة 117   
افتراضي


اخى محمد
هل يمكن ان تضع صورة لمنظر الدائرة النهائى (الذى اضفت له الليدات وال 7805 ) وذلك لانى حتى الان لم استطيع تحميل نسخة بروتيوس سليمة
وشكرا


Tico
:: عضو ذهبي ::
تاريخ التسجيل: May 2012
المشاركات: 1,426
نشاط [ Tico ]
قوة السمعة:116
قديم 02-06-2012, 10:15 AM المشاركة 118   
Exclamation روابط وملاحظات


اخى محمد
هل يمكن ان تضع صورة لمنظر الدائرة النهائى (الذى اضفت له الليدات وال 7805 ) وذلك لانى حتى الان لم استطيع تحميل نسخة بروتيوس سليمة
وشكرا
طبعا أخي محمد تفضل :

http://upload.qariya.info/images/qariya-fdd4b9b50a.png

وهنا رابط الصورة مرة أخرى + الملف ببروتوس :
http://filaty.com/f/1206/12182/Test_vitesse.rar.html
وهنا تذكير بملف المشروع الذي نجحت محاكاته لكنه غير مجرب عمليا
http://www.qariya.com/vb/showpost.ph...&postcount=106
وهنا رابط نسخة بروتوس 7.7.2 محمولة ولا تحتاج الى تنصيب جربها ممكن تفيدك:
Proteus Professional 7.7 SP2
http://www.qariya.com/vb/showthread.php?t=67095
------
أخي لو تبدأ بالتجريب على لوح التجارب بدون لحام ربما لكان أفضل ..
فرصة نتأكد من حقيقة الامر .
كما ان لدي فكرة أحاول تطبيقها على المشروع وهي :
إلغاء 4051 من المشروع و تعويض عمله برمجيا .
ان شاء الله خلال يوم او يومين حسب ما يتوفر من الوقت يمكن ان اصل الى نتيجة .
مبدئيا سهل لكن ما التوفيق الا من الله.


محمد يسرى محمد
:: مهندس متميز ::
تاريخ التسجيل: Apr 2010
المشاركات: 525
نشاط [ محمد يسرى محمد ]
قوة السمعة:0
قديم 02-06-2012, 06:20 PM المشاركة 119   
افتراضي


السلام عليكم
اخى محمد
شكرا على مجهوداتك الرائعة
ولكن انا لاحظت ان كل الروابط المرفوعة على filaty مش شغالة
وشكرا


Tico
:: عضو ذهبي ::
تاريخ التسجيل: May 2012
المشاركات: 1,426
نشاط [ Tico ]
قوة السمعة:116
قديم 02-06-2012, 10:00 PM المشاركة 120   
افتراضي


السلام عليكم
اخى محمد
شكرا على مجهوداتك الرائعة
ولكن انا لاحظت ان كل الروابط المرفوعة على filaty مش شغالة
وشكرا
تفضل اخي : اهم ما في الملف 5:
http://www.up-00.com/dldkQ374242.rar.html

إضافة رد

العلامات المرجعية

«     الموضوع السابق       الموضوع التالي    »
أدوات الموضوع

الانتقال السريع إلى


الساعة معتمدة بتوقيت جرينتش +3 الساعة الآن: 07:32 AM
موقع القرية الالكترونية غير مسؤول عن أي اتفاق تجاري أو تعاوني بين الأعضاء
فعلى كل شخص تحمل مسئولية نفسه إتجاه مايقوم به من بيع وشراء وإتفاق وأعطاء معلومات موقعه
التعليقات المنشورة لا تعبر عن رأي موقع القرية الالكترونية ولايتحمل الموقع أي مسؤولية قانونية حيال ذلك (ويتحمل كاتبها مسؤولية النشر)

Powered by vBulletin® Version 3.8.6, Copyright ©2000 - 2025