قسم الميكروكنترولر والروبوت ودوائر الاتصال بالحاسب الالي قسم المتحكمات الـ microcontroller و المعالجات microprocessor و التحكم الرقمي بالكمبيوتر CNC والانظمة الآلية والروبوت Robots

أدوات الموضوع

الصورة الرمزية سعيد عويطة
سعيد عويطة
:: مهندس متميز ::
تاريخ التسجيل: Nov 2011
المشاركات: 491
نشاط [ سعيد عويطة ]
قوة السمعة:0
قديم 09-11-2012, 06:29 PM المشاركة 1   
افتراضي دائرة تعمل على البروتس بينما على ارض الواقع لا تعمل Twitter FaceBook Google+



السلام عليكم ..هناك سؤال,,الدائرة على البروتس تشتغل تمام ,ولكن عندما اجربها على ارض الواقع لا تعمل,,اين المشكلة لا اعرف مع ان الكود شغال ,والدئرة ..مئة بالئة

اعلانات

سلك
:: مهندس ::
تاريخ التسجيل: Oct 2012
المشاركات: 14
نشاط [ سلك ]
قوة السمعة:0
قديم 09-11-2012, 06:57 PM المشاركة 2   
افتراضي


البروتيس يخدع كثيرا، فتحليله غير دقيق في دوائر ال Analogue و خصوصا النسخة الأحدث 7.10 و ذلك ربما بسبب الكراكات الموجودة (سواء الصيني أو الروسي)، لو تنشر الدائرة فيمكن أن يظهر الخلل ان شاء الله

اعلانات اضافية ( قم بتسجيل الدخول لاخفائها )
  

الصورة الرمزية mustafa'
mustafa'
:: مهندس متواجد ::
تاريخ التسجيل: Sep 2010
المشاركات: 57
نشاط [ mustafa' ]
قوة السمعة:0
قديم 09-11-2012, 08:18 PM المشاركة 3   
افتراضي


قد تكون المشكلة امّا في التوصيل او ان في بعض الاحيان في البروتيوس لست بحاجة الى توصيل المذبذب مثلا و لكن على ارض الواقع تحتاج .
و الله اعلم


الصورة الرمزية اكترونى بشري
اكترونى بشري
:: مهندس جيد ::
تاريخ التسجيل: Apr 2010
الدولة: libya-tripoli
المشاركات: 201
نشاط [ اكترونى بشري ]
قوة السمعة:0
قديم 09-11-2012, 08:19 PM المشاركة 4   
افتراضي


اخى لو تضع لنا الدائرة بالتفصيل وماهو الذى لم يشتغل معاك بالضبط ؟؟؟


الصورة الرمزية ميكرومان
ميكرومان
:: عضو فضي ::
تاريخ التسجيل: Oct 2012
المشاركات: 373
نشاط [ ميكرومان ]
قوة السمعة:72
قديم 10-11-2012, 10:09 AM المشاركة 5   
افتراضي


راجع توصيل التيار الكهربي للدائرة وتاكد انه 5 فولت

وراجع وجود الكريستالة

راجع توصيلاتك جيدا غالبا ستجد انك نسيت توصيل شئ ما


الصورة الرمزية سعيد عويطة
سعيد عويطة
:: مهندس متميز ::
تاريخ التسجيل: Nov 2011
المشاركات: 491
نشاط [ سعيد عويطة ]
قوة السمعة:0
قديم 10-11-2012, 04:32 PM المشاركة 6   
افتراضي


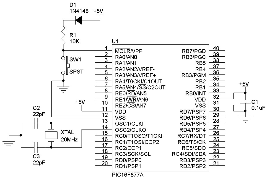
شكرجميعا..حاولت تنزيل الرسمة لكن لا اعرف,,لكن الرسمة مثل التي تحت..برنامجين اشتغلت ,,لكن الثالث لم يشتغل,الحين السؤال هل هذة تتفع على جميع البرامج اونريد تعديل على مكثفات الكرستالة او الكرستالة ..مع اني مبتد احاول اعرف الخطا من خبراتكم..والسلام
http://2.bp.blogspot.com/__sA_sg3DI5...ic+diagram.bmp

إضافة رد

العلامات المرجعية

«     الموضوع السابق       الموضوع التالي    »
أدوات الموضوع

الانتقال السريع إلى


الساعة معتمدة بتوقيت جرينتش +3 الساعة الآن: 12:16 AM
موقع القرية الالكترونية غير مسؤول عن أي اتفاق تجاري أو تعاوني بين الأعضاء
فعلى كل شخص تحمل مسئولية نفسه إتجاه مايقوم به من بيع وشراء وإتفاق وأعطاء معلومات موقعه
التعليقات المنشورة لا تعبر عن رأي موقع القرية الالكترونية ولايتحمل الموقع أي مسؤولية قانونية حيال ذلك (ويتحمل كاتبها مسؤولية النشر)

Powered by vBulletin® Version 3.8.6, Copyright ©2000 - 2026