القرية الإلكترونية - الكترونيات - كمبيوتر - هاردوير - خدمات المواقع - كهرباء - فضائيات - جوال - اتصالات - تكييف وتبريد - اجهزة الانتاج الزراعي - كهرباء السيارات

كود تفعيل العضوية - الابلاغ عن روابط لاتعمل - صيانة التلفزيون - الحاسبة - الأعضاء المتميزين - البرامج و المخططات - بث مباشر للقنوات الفضائية - إذاعة - تردد القنوات - بحث


لوحة مفاتيح عربية

العودة   منتدى القرية الإلكترونية > القسم الالكتروني > منتدى الإلكترونيات
التسجيل       اجعل كافة المشاركات مقروءة

منتدى الإلكترونيات قسم الالكترونكس لمناقشة الافكار والمعلومات المتعلقة بالهندسة الالكترونية للمبتدئين والهواة والفنيين - Electronics

رد
 
أدوات الموضوع
قديم 15-01-2014, 01:53 PM   #1
abdulla2
مهندس متواجد

المشاركات: 92
أحصائية الترشيح

عدد النقاط : 10


النشاط

معدل تقييم المستوى: 0
افتراضي ماهذة القطعة وكيفية قياسها

هذة قطعة
صادف وأحترقت حيث
كانت تولع نار ودخان كثيف
---
ماهي هذة القطعة ؟
وكيف أقيسها ؟
----------
السؤال الثاني
هذا المحول
INPUT 220
OUTPUT 48
اما الاوتبوت فالخارج 4 واير
إثنان سود
وإثنان أقرب للأبيض
المطلوب كيف اقيس أن المحول شغال
أم لا ..
---
يعني كيف أقيس الملف الامامي والخلفي
بصورة سهلة .ز
---
أو كيف اقيس المحول ككل
---
ومرفق لكم رابط فية الصور
http://www.gulfup.com/?SEmDYK

التعديل الأخير تم بواسطة : abdulla2 بتاريخ 15-01-2014 الساعة 01:59 PM.
abdulla2 غير متواجد حالياً   رد مع اقتباس مشاركة محذوفة
اعلانات
قديم 15-01-2014, 04:05 PM   #2
سعيد فايد
عضو ذهبي
 
الصورة الرمزية سعيد فايد

الدولة: مصر / 01146801155
المشاركات: 1,113
أحصائية الترشيح

عدد النقاط : 967


النشاط

معدل تقييم المستوى: 109
Arrow متواصل لأكمال الرذ

السلام عليكم
هذه هى ال قطعة



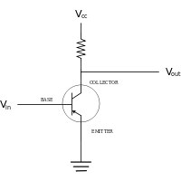
هى عباره عن ترانزيستور معذنى



هذه الأشكال ال 4 عباره عن ترانسيستورات



شكل الترانزيستور فى الذائره(المخطط)



انواع الترنزيستور



شكل لترانزيستور ع المخطط بالنسبه للعكسى او العذل

هذا بالنسبه للمشار اليه بالذائره الحمراء ف الملفات المرفقه
......................................

اما عن الذى صذر عن ذخان كثيف فهو مكثف كيميائى
كما بالصور التاليه



شكل المكثف من الخارح وما مكتوبل عليه




مكثف شكل اكبر




التركيب الذاخلى للمكثف





اشكال المكثفات التى تصاذفك ف الأحهزه




رموز وانواع المكثفات

التعديل الأخير تم بواسطة : سعيد فايد بتاريخ 15-01-2014 الساعة 04:13 PM. السبب: وضع تعريف لبعض الصور
سعيد فايد غير متواجد حالياً   رد مع اقتباس مشاركة محذوفة
اعلانات اضافية ( قم بتسجيل الدخول لاخفائها )
  
قديم 15-01-2014, 04:09 PM   #3
عريبى محمود
( رحمه الله عليه )
 
الصورة الرمزية عريبى محمود

الدولة: لا تسأل الطغاه لماذا طغو بل اسأل العبيد لماذا انحنو
المشاركات: 3,139
أحصائية الترشيح

عدد النقاط : 3252


النشاط

معدل تقييم المستوى: 190
x4

اقتباس:
المشاركة الأصلية كتبت بواسطة abdulla2 مشاهدة المشاركة
هذة قطعة
صادف وأحترقت حيث
كانت تولع نار ودخان كثيف
---
ماهي هذة القطعة ؟
وكيف أقيسها ؟
----------
السؤال الثاني
هذا المحول
INPUT 220
OUTPUT 48
اما الاوتبوت فالخارج 4 واير
إثنان سود
وإثنان أقرب للأبيض
المطلوب كيف اقيس أن المحول شغال
أم لا ..
---
يعني كيف أقيس الملف الامامي والخلفي
بصورة سهلة .ز
---
أو كيف اقيس المحول ككل
---
ومرفق لكم رابط فية الصور
http://www.gulfup.com/?SEmDYK
السلام عليكم ولرحمة الله وبركاته
-------------------------------------
اخى الكريم
الجهاز المعروض عبارة عن بور صبلاى خرجه 48 فولت 3 امبير والجزء المشار اليه
بالدائرة الحمراء عبارة عن ترانزسستور بور رقمه 2N3773G
وهذا طبقا لما ورد بالصورة المرفقه

اما قياس الشاحن يعمل ام تالف يتم امداده بالتيار220 فولت وقياس خرجه على الافوميتر بمدى 200فولت مستمر على ان يكون قراءةالمقياس طبقا لماهو مدون عليه

اما السؤال عن كيفية قياس المحول العادى فيتم ذلك بالافوميتر على وضع قياس
الاوم1 X فيجب ان يقرأ قراءة عالية فى الابتدائى عنها فى الثانوى
عريبى محمود غير متواجد حالياً   رد مع اقتباس مشاركة محذوفة
قديم 15-01-2014, 05:59 PM   #4
abdulla2
مهندس متواجد

المشاركات: 92
أحصائية الترشيح

عدد النقاط : 10


النشاط

معدل تقييم المستوى: 0
افتراضي

أشكر كل الردود ..
---
لكن لم يخبرني أحد
كيف أقيس هذا الترانسستر
وهل هو بايبولر او موسفت اوماذا ؟
وماهي طريقة فحصة ..
بالملتيميتر ..
---
أما المشكلة فهي رايت الترانسستر
المشار الية يخرج منة لهبة صفراء ودخان
وبالتالي أظن هو المشكلة
---
جربت فحصة بمؤشر الدايود فاعطى قراءة 504.
وعند أقلب المقابس لا اجد قراءة
---
وفحصت الترانسستر الاخر المشابة لة وهو سليم
ويحمل نفس الرقم
فاعطى قراءة 539.
وعند قلب المقابس لا يعطي شئ
----
ولست أدري هل طريقة فحصي سليمة أم لا؟؟؟؟؟؟
-----
أما بالنسبة للمحول ... مافهمتة هو :
يعني أضع المؤشر على الاوم
واضع مقابس الملتيميتر على طرفي Input
فإذا أعطى قراءة أعلى من output
يعني ملف البريمري سليم وهكذا السكندري
يعطي قراءة أقل من input
----
أرجو الرد على كل الاستفسارات
وسأكون شاكرا لكم ...
abdulla2 غير متواجد حالياً   رد مع اقتباس مشاركة محذوفة
قديم 15-01-2014, 08:18 PM   #5
عريبى محمود
( رحمه الله عليه )
 
الصورة الرمزية عريبى محمود

الدولة: لا تسأل الطغاه لماذا طغو بل اسأل العبيد لماذا انحنو
المشاركات: 3,139
أحصائية الترشيح

عدد النقاط : 3252


النشاط

معدل تقييم المستوى: 190
x4

السلام عليكم ورحمة الله وبركاته
----------------------------------
اخى الكريم
اليك رابط لقياس الترانزسستور بنوعيه

http://www.masrawysat.com/vb/showthread.php?t=119894
عريبى محمود غير متواجد حالياً   رد مع اقتباس مشاركة محذوفة
قديم 16-01-2014, 05:52 AM   #6
abdulla2
مهندس متواجد

المشاركات: 92
أحصائية الترشيح

عدد النقاط : 10


النشاط

معدل تقييم المستوى: 0
افتراضي

الاخوة الكرام
أنا لا أتكلم عن الترانسستر
الذي تقصدوة
....
أرجو مشاهدة الصور
http://www.gulfup.com/?SEmDYK
هل هذا ترانزستور يقاس كما
يقاس الترانسستر العادي البايبولر
-----
لآني حينما أقيس
لا يعطيني قياسات pnp و npn
مع العلم ان القطعة شغال
---
وتوجد بها رجلين فقط وليس 3 ارجل
abdulla2 غير متواجد حالياً   رد مع اقتباس مشاركة محذوفة
قديم 16-01-2014, 02:30 PM   #7
سعيد فايد
عضو ذهبي
 
الصورة الرمزية سعيد فايد

الدولة: مصر / 01146801155
المشاركات: 1,113
أحصائية الترشيح

عدد النقاط : 967


النشاط

معدل تقييم المستوى: 109
Arrow

اقتباس:
المشاركة الأصلية كتبت بواسطة abdulla2 مشاهدة المشاركة
الاخوة الكرام
أنا لا أتكلم عن الترانسستر
الذي تقصدوة
....
أرجو مشاهدة الصور
http://www.gulfup.com/?SEmDYK
هل هذا ترانزستور يقاس كما
يقاس الترانسستر العادي البايبولر
-----
لآني حينما أقيس
لا يعطيني قياسات pnp و npn
مع العلم ان القطعة شغال
---
وتوجد بها رجلين فقط وليس 3 ارجل
الأخ العزيز
هذا ترانزيستور
فعلا بها رجلين فقط ولكن الرجل الثالثه هى جسم المعذن نفسه
وهو الكوليكتور الرجلين الذين ذكرتهما هما البيز والأميتر
قم بالقياس على هذه المعلومات ستعرف اذا كان سليم او لا
مقياس ترنزيستور عاذى

وارحع للصور التى ارفقتها لك وبالذات الصوره التاليه



المعذن المكتوب عليه رقم الترانزيستور (3DD207) هو الكوليكتور(المجمع)
الطرفين المعزولين بالماذه الزرقاء هما القاعذه والمشع)
بنفس الكيفه التى اعتك ........جربت فحصة بمؤشر الدايود فاعطى قراءة 504.
وعند أقلب المقابس لا اجد قراءة.
.............انقل المقاس على المعذن
سيعتيك قراءه قريبه من 500 شوف ونحن معك متابعين حتى تتفهم القياس


سعيد فايد غير متواجد حالياً   رد مع اقتباس مشاركة محذوفة
قديم 16-01-2014, 05:58 PM   #8
abdulla2
مهندس متواجد

المشاركات: 92
أحصائية الترشيح

عدد النقاط : 10


النشاط

معدل تقييم المستوى: 0
افتراضي

لقد قمت بعمل التالي :
إعتبرت هذا ترانزيستر
وحسب ما أعلم أن كي يكون
الترانزستر سليم يجب عمل التالي:
1-إبحث عن رجلين لاتعطيان قراءة
وعند قلب المجسين لا يعطيان قراءة
هنا نكون قد حددنا البيز .
--
2-ضع أحد المجسين على البيز
والاخر مررة على الرجلين يجب
أن يعطي قراءة في الرجلين
وعند قلب المجسين لا يعطيني قراءة في الرجلين
---
عملت التالي على الترانزستر المطلوب
لكنة لم يعطيني القراءة المطلوبة
فهل هو تالف ؟
علماً انة إشتعلت فية لهبة وخرج دخان من هذة القطعة
---
لكن عندما أقيس الترانزسترات التي بجانبة تعطيني نفس القراءات
مع فرق ان الذي احترق يعطيني .504
---
أما البقية فيعطوني .540
---
والجهاز طافي بالكامل
فهل هو السبب أم لا لاني اجد الخارطة نظيفة
أشك في المحول لكن يبدو لي سليم
---
كيف أفحص المحول بطريقة سهلة وآمنة
مع التذكير أن خرج المحول لة 4 واير
2 أسود 2 ابيض
---
هل أقيس الخرج عل مؤشر dc
لان بيناتة
Input220
output 48
------------------------
أرجو التوضيح بالكلام ...وشكرا شكرا شكرا للفائدة
-------------------------
abdulla2 غير متواجد حالياً   رد مع اقتباس مشاركة محذوفة
رد

العلامات المرجعية

أدوات الموضوع

تعليمات المشاركة
You may not post new threads
You may not post replies
You may not post attachments
You may not edit your posts

BB code is متاحة
كود [IMG] متاحة
كود HTML معطلة

الانتقال السريع إلى

الساعة الآن: 06:22 AM


Powered by vBulletin® Version 3.8.6, Copyright ©2000 - 2026
Feedback Buttons provided by Advanced Post Thanks / Like (Lite) - vBulletin Mods & Addons Copyright © 2026 DragonByte Technologies Ltd.
القرية الإلكترونية