القرية الإلكترونية - الكترونيات - كمبيوتر - هاردوير - خدمات المواقع - كهرباء - فضائيات - جوال - اتصالات - تكييف وتبريد - اجهزة الانتاج الزراعي - كهرباء السيارات

كود تفعيل العضوية - الابلاغ عن روابط لاتعمل - صيانة التلفزيون - الحاسبة - الأعضاء المتميزين - البرامج و المخططات - بث مباشر للقنوات الفضائية - إذاعة - تردد القنوات - بحث


لوحة مفاتيح عربية

العودة   منتدى القرية الإلكترونية > القسم الالكتروني > منتدى الإلكترونيات
التسجيل       اجعل كافة المشاركات مقروءة

منتدى الإلكترونيات قسم الالكترونكس لمناقشة الافكار والمعلومات المتعلقة بالهندسة الالكترونية للمبتدئين والهواة والفنيين - Electronics

رد
 
أدوات الموضوع
قديم 24-03-2015, 05:34 PM   #1
عقبة مصطفى
مهندس متميز

الدولة: الجزائر
المشاركات: 303
أحصائية الترشيح

عدد النقاط : 22


النشاط

معدل تقييم المستوى: 0
افتراضي دائرة كهربائية

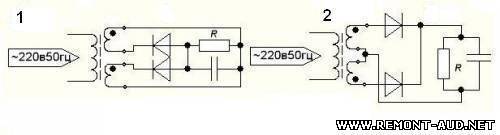
ممكن الاختيار الاصح في هاته الدارة


Pulsation frequency in the load R (in order, Hz):
50-50
100-50
100-100
50-100
[/CENTER]
عقبة مصطفى غير متواجد حالياً   رد مع اقتباس مشاركة محذوفة
اعلانات
قديم 24-03-2015, 07:48 PM   #2
fade hbeb
عضو فضي
 
الصورة الرمزية fade hbeb

الدولة: سوريا // إن الله لا يغير ما بقوم حتى يغيروا ما بأنفسهم //
المشاركات: 1,380
أحصائية الترشيح

عدد النقاط : 2323


النشاط

معدل تقييم المستوى: 121
افتراضي

اقتباس:
المشاركة الأصلية كتبت بواسطة عقبة مصطفى مشاهدة المشاركة
ممكن الاختيار الاصح في هاته الدارة


Pulsation frequency in the load R (in order, Hz):
50-50
100-50
100-100
50-100
[/CENTER]
اخي الكريم الرجاء التوضيح اكثر
وتوضيح طلبك و حاجتك بالضبط
لتتم المساعده
fade hbeb غير متواجد حالياً   رد مع اقتباس مشاركة محذوفة
اعلانات اضافية ( قم بتسجيل الدخول لاخفائها )
  
قديم 24-03-2015, 09:03 PM   #3
نعيم البديري
عضو ماسى
 
الصورة الرمزية نعيم البديري

الدولة: العراق
المشاركات: 3,978
أحصائية الترشيح

عدد النقاط : 9244


النشاط

معدل تقييم المستوى: 321
افتراضي

ليس هناك فرق بين الحالتين
نعيم البديري غير متواجد حالياً   رد مع اقتباس مشاركة محذوفة
احصائية الشكر والاعجاب - 1 شكراً, 0 عدم اعجاب, 1 اعجاب
شكراً fade hbeb ( شكر العضو على هذه المشاركة )
اعجاب fade hbeb ( أعجبته المشاركة )
قديم 25-03-2015, 10:33 AM   #4
عقبة مصطفى
مهندس متميز

الدولة: الجزائر
المشاركات: 303
أحصائية الترشيح

عدد النقاط : 22


النشاط

معدل تقييم المستوى: 0
افتراضي

اقتباس:
المشاركة الأصلية كتبت بواسطة نعيم البديري مشاهدة المشاركة
ليس هناك فرق بين الحالتين
نعم هناك فرق والاختيار الاصح هو
عند الدارة الولى نجد 100 وفي الدارى الثانية نجد 50
اي الجواب الصحيح هو الثاني
عقبة مصطفى غير متواجد حالياً   رد مع اقتباس مشاركة محذوفة
رد

العلامات المرجعية

أدوات الموضوع

تعليمات المشاركة
You may not post new threads
You may not post replies
You may not post attachments
You may not edit your posts

BB code is متاحة
كود [IMG] متاحة
كود HTML معطلة

الانتقال السريع إلى

الساعة الآن: 04:24 PM


Powered by vBulletin® Version 3.8.6, Copyright ©2000 - 2025
Feedback Buttons provided by Advanced Post Thanks / Like (Lite) - vBulletin Mods & Addons Copyright © 2025 DragonByte Technologies Ltd.
القرية الإلكترونية