القرية الإلكترونية - الكترونيات - كمبيوتر - هاردوير - خدمات المواقع - كهرباء - فضائيات - جوال - اتصالات - تكييف وتبريد - اجهزة الانتاج الزراعي - كهرباء السيارات

كود تفعيل العضوية - الابلاغ عن روابط لاتعمل - صيانة التلفزيون - الحاسبة - الأعضاء المتميزين - البرامج و المخططات - بث مباشر للقنوات الفضائية - إذاعة - تردد القنوات - بحث


لوحة مفاتيح عربية

العودة   منتدى القرية الإلكترونية > القسم الالكتروني > منتدى الإلكترونيات
التسجيل       اجعل كافة المشاركات مقروءة

منتدى الإلكترونيات قسم الالكترونكس لمناقشة الافكار والمعلومات المتعلقة بالهندسة الالكترونية للمبتدئين والهواة والفنيين - Electronics

رد
 
أدوات الموضوع
قديم 19-09-2008, 02:57 AM   #1
الفجر للاعلان
مهندس

المشاركات: 2
أحصائية الترشيح

عدد النقاط : 10


النشاط

معدل تقييم المستوى: 0
ha الساعه الرقمية بالليد

السلام عليكم ورحمة الله وبركاتة
ارجو معرفة طريقة عمل ساعه رقمية عن طريق الليد
الفجر للاعلان غير متواجد حالياً   رد مع اقتباس مشاركة محذوفة
اعلانات
قديم 21-09-2008, 01:20 PM   #2
M_eltorky
مهندس

المشاركات: 43
أحصائية الترشيح

عدد النقاط : 10


النشاط

معدل تقييم المستوى: 0
ha ارجو معرفة طريقة عمل ساعه رقمية عن طريق الليد

السلام عليكم ورحمة الله وبركاتة
ارجو معرفة طريقة عمل ساعه رقمية عن طريق الليد
M_eltorky غير متواجد حالياً   رد مع اقتباس مشاركة محذوفة
اعلانات اضافية ( قم بتسجيل الدخول لاخفائها )
  
قديم 21-09-2008, 02:46 PM   #3
زكي شاكر
عضو ماسي

الدولة: المغرب
المشاركات: 3,062
أحصائية الترشيح

عدد النقاط : 2575


النشاط

معدل تقييم المستوى: 185
افتراضي

ساعات الليد نوعان:
ايهما المطلوب؟:
ترقيم ثنائي 7 ليد للدقائق + 6 ليد للساعات
او ترقيم عشري : 60 ليد للدقائق + 12 ليد للساعات
بدون الثواني في الحالتين
زكي شاكر غير متواجد حالياً   رد مع اقتباس مشاركة محذوفة
قديم 24-09-2008, 08:40 PM   #4
M_eltorky
مهندس

المشاركات: 43
أحصائية الترشيح

عدد النقاط : 10


النشاط

معدل تقييم المستوى: 0
x4

المطلوب؟:
ترقيم ثنائي 7 ليد للدقائق + 6 ليد للساعات
M_eltorky غير متواجد حالياً   رد مع اقتباس مشاركة محذوفة
قديم 26-09-2008, 11:53 AM   #5
زكي شاكر
عضو ماسي

الدولة: المغرب
المشاركات: 3,062
أحصائية الترشيح

عدد النقاط : 2575


النشاط

معدل تقييم المستوى: 185
افتراضي

اقتباس:
المشاركة الأصلية كتبت بواسطة M_eltorky مشاهدة المشاركة
المطلوب؟:
ترقيم ثنائي 7 ليد للدقائق + 6 ليد للساعات
هل تقصد هذا النوع (في الصورة عداد للثواني ايضا، جهة اليمين) ؟ :

http://www.orichalk.com/images/bin-350.jpg
كم الساعة المسجلة اذن ؟
اذا كانت هي المطلوب يمكنك ان تحول ساعة عادية مثل هذه :
http://www.qariya.com/vb/showpost.ph...1&postcount=11
لتجعلها ساعة ليدات بترقيم ثنائي والطريقة بسيطة:
1/ تلغي العناصر 4511 والعارضات afficheurs.
2/تستبدل عدادات ادقائق والساعات 4518 ب 74HC4518 او 74HCT4518
السبب ؟: لان 4518 لا تخرج اكثر من 1 الى 2 ميللي امبير في كل مخرج من مخارجها .. بينما كل ليد تحتاج الى 10 او 15 ميللي امبير لتشتعل بطريقة مقبولة.
اما السلسلة 74HC او74CT (انظر الداتا شيت لها جميعا).
3/ تعوض المنظم 7812 ب 7806 لان السلسلة 74HC او74CT لاتتحمل اكثر من 7 فولت ..

اذا لم تجد 74HC4518 او 74HCT4518 .. يمكنك تقوية كل خرج 4518 باضافة مقاومة وترانزيستور ..والاحتفاظ بالمنظم 7812 ..
طريقة العمل :
اولا: توضيحات أولية:
1/
4518 (او74HC4815 ) عنصر به عداد عشري A وعداد عشري آخرB ..هنا طريقة عمل A او B لا فرق، والرقم المسجل هو 0110 ثنائي- او6 عشري . :

معنى عشري انه يمكن ان يعد من 0000 الى 1001 ثنائي أي 0 الى 9 عشري.. هكذا:
0000 =0 عشري
0001 = 1 عشري
0010 = 2 عشري
0011
0100
0101
0110
0111
1000
1001 = 9 عشري

كيف "نقرأ" مثلا الرقم الثنائي 0101 اي 5 عشري ، على مخارج 4518 (او74HC4815 )؟:
لنفرض ان جهد التغذية هو 5 فولت والمخارج بالترتيب هي:
Q0 و Q1و Q2 وQ3
الرقم الثنائي 0101 أي 5 عشري سيظهر كما يلي:
من اليمين الى اليسار:على المخرج الاول نجد 5 فولت وعلى الثاني 0 فولت والثالث 5 فولت وعلى الأخير0 فولت.
معنى ذلك ان الليدات الموصولة بهذه المخارج الاربع ستكون، اما مشتعلة او منطفئة بحسب حصولها او عدم حصولها على الجهد 5 فولت كما تم شرحه.
2/
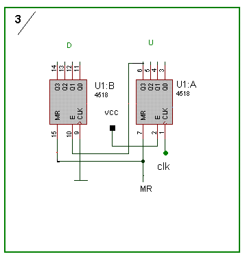
اذا وصلنا العداد A مع العدادB بطريقة معينة ، يمكن ان نحصل على عداد بقدرة عد أكبر وسيعد من 0000 0000 الى 1001 1001 أي من 00 الى 99 بالعشري
يعني عداد 100نبضة .. كهذا المثال حيث العداد U1:A للوحدات و العداد U1:B للعشرات وهما قي صندوق واحد :CD4518

3/
بنفس الطريقة يمكن ان نحصل باستخدام 3 متكاملات 4518 (او74HC4815 ) على عداد يعد من:
0 على كل المخارج الى 1001 1001 1001 1001 1001 1001.
وهو ما يقابل من 0000 الى 9999 بالعشري.
------------
ثانيا: الساعة الرقمية:
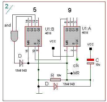
فكرة الساعة بالعدادات هي في الواقع تطبيق لوظيفة العدادات .
لصنع ساعة اذن يكفي ان نستخدم عدادا يعد من 0 الى 9999 كما بينت سابقا.. لكن نتحايل عليه بمساعدة بوابات And حتى يتحول الى عداد يعد من:
0 بكل المخارج الى 1001 101 . 1001 101 . 0011 10
اي الى 59 ث. 59د . 23س. بالعشري.
انظر كيف نحول عداد يعد من 0 الى 99 الى عداد يعد فقط من 0 الى 59 اذ اننا نوقفه بالبوابة and قبل ان يظهر عليه الرقم 6 يعني 0110 .. حينها تعمل البوابة and للعداد 4518 Reset فيعود للعد من 0 ولا يكمل العد الى 99:

ثم ندخل نبضات متتالية قيمتها 1 ثانية الى مدخل عداد الثواني لينم عد 60 تانية ومنها 59 دقيقة وأخيرا 23 ساعة .
العداد / المقسم 4060 هو من يولد بمساعدة الكريستالة النبضات المتتالية 1 هرتز أي 1 ثانية.
وادا اردنا ان تترجم المخارج الثنائية للعددات الى ارقام عشرية يفهمها عامة البشر ، نضيف مفككات ترميز BCD/7Segments من نوع 4511 او 4543 مثلا..
وهناك ترتيبات اخرى هامة بالدارة من بينها، اضافة تغذية أمان ببطارية في غياب الكهرباء المنزلية ..بطارية وضعتها بطريقة قد تجعلها تدوم حتى 3 أشهر ! وذلك عن تجربة سابقة ناجحة (في القرن الماضي ) ..

وطبعا هناك حل افضل اكثر أناقة وجمالية:
تعويض كل العدادات بمتحكم واحد PIC16F628 او PIC16F84 .. وتكون النتيجة رائعة ..
لكن تلك قصة اخرى والحديث عنها ليس هنا .. بل في قسم المتحكمات بالمنتدى..

ارجو لك التوفيق

:can:

التعديل الأخير تم بواسطة : زكي شاكر بتاريخ 26-09-2008 الساعة 06:16 PM.
زكي شاكر غير متواجد حالياً   رد مع اقتباس مشاركة محذوفة
قديم 26-09-2008, 01:42 PM   #6
dragon bleu
مهندس

المشاركات: 16
أحصائية الترشيح

عدد النقاط : 10


النشاط

معدل تقييم المستوى: 0
افتراضي

سلام عيكم
للنتكلم عن سعات إلكترونية الأولي في بدياتها كانت عبارة عن مجموعة من البوابات المنطقية مكونة بها ساعة للنبدىء بالقسم الأولي و هي عبالرة عن "" مولد نبضات ne555 " الذي نعدل مقاومة متغير بعد الراستها علي قيمة 1 ثانية زمن النبضة الواحدة التي بدورها تحفز عداد رقم واحد الذي يتحكم في خانة العشرات للثوان و عبارة عن مجموعة من قلبات "bascule' تحسب من -0..9- نضع بين عداد و شاشة ''afficheur 7 segement' مترجم عادة يكون 74ls41 انا اعلم انه ينقص صور بيانية عديد لكن انترنات ليست متصل بحاسوب خاص لأني أعمل في مقهي للأنترنات
dragon bleu غير متواجد حالياً   رد مع اقتباس مشاركة محذوفة
رد

العلامات المرجعية

أدوات الموضوع

تعليمات المشاركة
You may not post new threads
You may not post replies
You may not post attachments
You may not edit your posts

BB code is متاحة
كود [IMG] متاحة
كود HTML معطلة

الانتقال السريع إلى

الساعة الآن: 08:24 AM


Powered by vBulletin® Version 3.8.6, Copyright ©2000 - 2026
Feedback Buttons provided by Advanced Post Thanks / Like (Lite) - vBulletin Mods & Addons Copyright © 2026 DragonByte Technologies Ltd.
القرية الإلكترونية