قسم الميكروكنترولر والروبوت ودوائر الاتصال بالحاسب الالي قسم المتحكمات الـ microcontroller و المعالجات microprocessor و التحكم الرقمي بالكمبيوتر CNC والانظمة الآلية والروبوت Robots

أدوات الموضوع

eng_hazem123
:: مهندس ::
تاريخ التسجيل: Sep 2006
المشاركات: 28
نشاط [ eng_hazem123 ]
قوة السمعة:0
قديم 01-09-2010, 11:57 PM المشاركة 1   
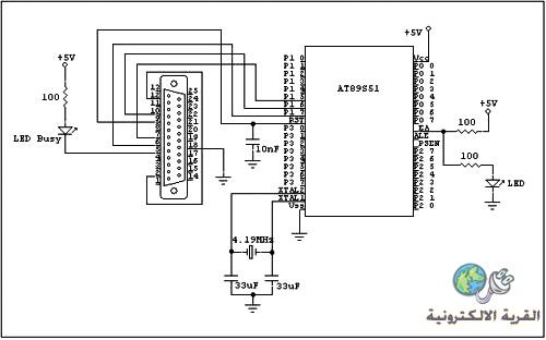
افتراضي طلب ضرورى اريد مبرمجة للميكروكونترولر AT89S52 Twitter FaceBook Google+



طلب ضرورى
اريد مبرمجة للميكروكونترولر AT89S52 تكون مجربة من مستخدمى هذا المتحكم واريد برنامج لتنزيل ملف الهيكس على AT89s52

شكر جزيلا

اعلانات

الصورة الرمزية اكزي
اكزي
:: عضو ذهبي ::
تاريخ التسجيل: May 2009
الدولة: المغرب iguizzi06*hotmail.com // www.facebook.com/iguizzi.abdallah
المشاركات: 2,434
نشاط [ اكزي ]
قوة السمعة:149
قديم 02-09-2010, 12:16 AM المشاركة 2   
افتراضي


تفظل يأخي



اعلانات اضافية ( قم بتسجيل الدخول لاخفائها )
  

الصورة الرمزية اكزي
اكزي
:: عضو ذهبي ::
تاريخ التسجيل: May 2009
الدولة: المغرب iguizzi06*hotmail.com // www.facebook.com/iguizzi.abdallah
المشاركات: 2,434
نشاط [ اكزي ]
قوة السمعة:149
قديم 02-09-2010, 12:37 AM المشاركة 3   
افتراضي


تفضل أخي




eng_hazem123
:: مهندس ::
تاريخ التسجيل: Sep 2006
المشاركات: 28
نشاط [ eng_hazem123 ]
قوة السمعة:0
قديم 02-09-2010, 01:30 PM المشاركة 4   
افتراضي


شكرررررا جزيلا بس لى طلب انا عايز البرنامج اللى بياخد ملف الهيكس وينزله على AT89S52

إضافة رد

العلامات المرجعية

«     الموضوع السابق       الموضوع التالي    »
أدوات الموضوع

الانتقال السريع إلى


الساعة معتمدة بتوقيت جرينتش +3 الساعة الآن: 08:58 PM
موقع القرية الالكترونية غير مسؤول عن أي اتفاق تجاري أو تعاوني بين الأعضاء
فعلى كل شخص تحمل مسئولية نفسه إتجاه مايقوم به من بيع وشراء وإتفاق وأعطاء معلومات موقعه
التعليقات المنشورة لا تعبر عن رأي موقع القرية الالكترونية ولايتحمل الموقع أي مسؤولية قانونية حيال ذلك (ويتحمل كاتبها مسؤولية النشر)

Powered by vBulletin® Version 3.8.6, Copyright ©2000 - 2025