قسم الميكروكنترولر والروبوت ودوائر الاتصال بالحاسب الالي قسم المتحكمات الـ microcontroller و المعالجات microprocessor و التحكم الرقمي بالكمبيوتر CNC والانظمة الآلية والروبوت Robots

أدوات الموضوع

ahmad..s
:: مهندس ::
تاريخ التسجيل: Aug 2010
المشاركات: 14
نشاط [ ahmad..s ]
قوة السمعة:0
قديم 01-04-2011, 07:07 PM المشاركة 1   
افتراضي ممكن مساعدة ضروري للمشروع micro controller Twitter FaceBook Google+



عند توصيل key pad على المتحكم 16f877a على port d هل يجب توصيل مقاومة pull down قيمتها 10k او توصيل مقاومة عادية بنفس القيمة
ونرجو توضيح الفرق بينها

اعلانات

robota
:: عضو ذهبي ::
تاريخ التسجيل: Jul 2009
الدولة: الخرطوم_السودان
المشاركات: 926
نشاط [ robota ]
قوة السمعة:104
قديم 01-04-2011, 07:53 PM المشاركة 2   
افتراضي


السلام عليكم
هى مقاومة عادية(10 كيلو) لكن وظيفتها هى عمل pull down

اعلانات اضافية ( قم بتسجيل الدخول لاخفائها )
  

الصورة الرمزية noornader
noornader
:: عضو ذهبي ::
تاريخ التسجيل: Mar 2007
المشاركات: 608
نشاط [ noornader ]
قوة السمعة:98
قديم 01-04-2011, 10:07 PM المشاركة 3   
افتراضي


السلام عليكم اخى الكريم
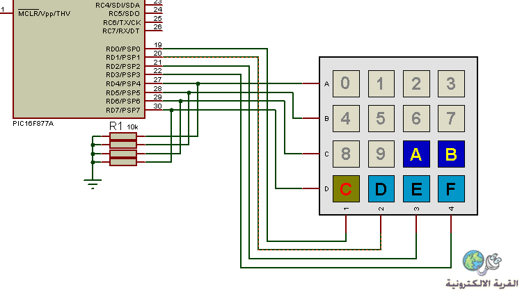
تفضل طريقة توصيل الكيباد مع Port D للمتحكم PIC16F8677A كما بالصورة




ويجب ملاحظة وضع الاربعة مقاومات 10K عاى المداخل فى توصيلات الصفوف
تمنياتى لك بالتوفيق



ahmad..s
:: مهندس ::
تاريخ التسجيل: Aug 2010
المشاركات: 14
نشاط [ ahmad..s ]
قوة السمعة:0
قديم 01-04-2011, 11:04 PM المشاركة 4   
افتراضي


السلام عليكم
هى مقاومة عادية(10 كيلو) لكن وظيفتها هى عمل pull down
اولا :انا بشكرك اخي الكريم على الاهتمام
ثانيا : اانا عارف انه قيمتها 10k بس هل لو وضعت مقاومة 10k هتشتغل
مشكور اخي


ahmad..s
:: مهندس ::
تاريخ التسجيل: Aug 2010
المشاركات: 14
نشاط [ ahmad..s ]
قوة السمعة:0
قديم 01-04-2011, 11:06 PM المشاركة 5   
افتراضي


السلام عليكم اخى الكريم
تفضل طريقة توصيل الكيباد مع Port D للمتحكم PIC16F8677A كما بالصورة




ويجب ملاحظة وضع الاربعة مقاومات 10K عاى المداخل فى توصيلات الصفوف
تمنياتى لك بالتوفيق

اشكرك على التوضيح


الصورة الرمزية noornader
noornader
:: عضو ذهبي ::
تاريخ التسجيل: Mar 2007
المشاركات: 608
نشاط [ noornader ]
قوة السمعة:98
قديم 02-04-2011, 08:10 AM المشاركة 6   
افتراضي


الشكر لله اخى الكريم
تمنياتى لك بالتوفيق


إضافة رد

العلامات المرجعية

«     الموضوع السابق       الموضوع التالي    »
أدوات الموضوع

الانتقال السريع إلى


الساعة معتمدة بتوقيت جرينتش +3 الساعة الآن: 12:47 PM
موقع القرية الالكترونية غير مسؤول عن أي اتفاق تجاري أو تعاوني بين الأعضاء
فعلى كل شخص تحمل مسئولية نفسه إتجاه مايقوم به من بيع وشراء وإتفاق وأعطاء معلومات موقعه
التعليقات المنشورة لا تعبر عن رأي موقع القرية الالكترونية ولايتحمل الموقع أي مسؤولية قانونية حيال ذلك (ويتحمل كاتبها مسؤولية النشر)

Powered by vBulletin® Version 3.8.6, Copyright ©2000 - 2025